您好,欢迎来到染化在线! 登录 免费注册 帮助中心
关注

加入QQ群:131192077

0757-23608899
当前位置 > 首页 > 解决方案 > GB/T4802.1-2008纺织品 织物起毛起球性能的测定 第1部分:圆轨迹法
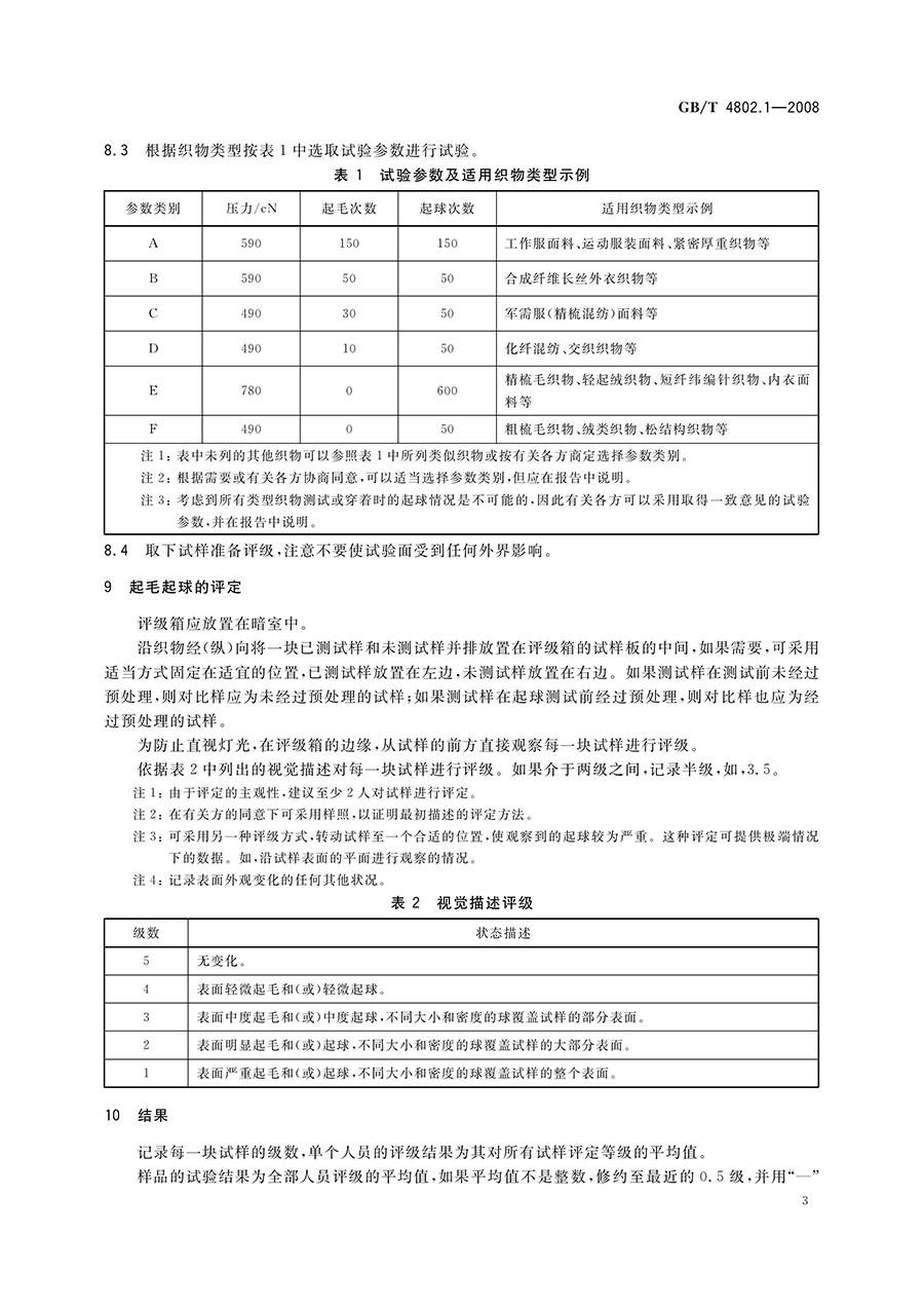
GB/T4802.1-2008纺织品 织物起毛起球性能的测定 第1部分:圆轨迹法
点击:114 发表时间:2025-07-17
【导读】:
关健字:抗起毛起球剂,耐洗抗起毛起球剂,棉用抗起毛起球剂,耐磨抗起球剂
50.00 %
50.00 %
克重
200.00
测试标准
GB4802.1
染化在线网版权与免责声明:

1.本着“开放、协作、分享”的互联网精神,我们欢迎各方自媒体、传统媒体与机构,转载、引用染化在线的原创内容,但必须注明来源自染化在线网,否则我们将依法追究侵权责任。

2.原则上,我们同意在注明出处的前提下,各方使用染化在线的原创素材(图片、视频等)。

3.染化在线网尊重各方知识产权,保护原创作者的合法权益。如发现本站文章存在版权问题,请联系微信rhzxzjf,我们将及时核查、处理。

产品信息
  • 抗起毛起球剂GRISEX格威赛斯®G-1057

    价格:登录后显示

    服务流程 定制全程实时提醒